جک ریلی گلدن گیت 2000 کیلو
جک ریلی اتوماتیک گلدن گیت 2000 کیلو مناسب پارکینگهایی است که دارای فضای محدودی در عمق و بالای محیط پارکینگ یا محوطه می باشد و تا 2000 کیلوگرم برای باز و بسته نمودن درب کشویی و ریلی قدرت دارد. جک ریلی 2000 کیلو گلدن گیت دارای چرخ دنده فولادی برنزی با مقاومت بالا است که در برابر ضربه مقاوم است
بازگشت وجه
در سریعترین زمان ممکن
تضمین کیفیت
به صورت آنلاین با بالاترین
پرسش و پاسخ
با استفاده از سیستم پاسخگویی
پشتیبانی
برای پاسخگویی به سوالات شما
محصولات مشابه
جک درب ریلی گلدن گیت 2000 کیلو جهت کنترل درب ریلی تا وزن 2000 کیلو گرم و تا طول 8 متر مناسب میباشد. این موتور درب ریلی از طریق ریموت لرنینگ عمل میکند و علاوه بر این، مجهز به کانکتور تحریک دستی است که امکان اتصال رسیور سیمکارتی و کلید کنترل دستی را فراهم میکند تا در صورت تمایل مشتری یا به همراه نداشتن ریموت، از طریق تماس تلفنی یا کلید کنترل دستی، اقدام به باز نمودن درب نمود .
.webp)
جک پارکینگی ریلی گلدن گیت از نظر کیفیت و کارایی کاملا با برندهای خارجی درب کشویی قابلیت رقابت دارد و یکی از انتخاب های مناسب و اقتصادی برای خرید موتور ریلی درب پارکینگ میباشد .
.webp)
اگر در فضاهای جانبی سمت راست یا چپ محل نصب درب ریلی، برای حرکت کشویی درب ریلی اتوماتیک به اندازه کافی فضا وجود داشته باشد جک ریلی گلدن گیت 2000 می تواند گزینه مناسبی باشد. مکانیزم کار این نوع درب ریلی به صورت کششی و به وسیله چرخ دنده پرقدرت بر روی دنده شانهای می باشد و با برق 220 ولت تغذیه میشود. جکهای ریلی الکترومکانیکی گلدن گیت با استفاده از انتقال قدرت گیربکس در مدل چرخ دنده شانه ای کار میکنند.
.webp)
جک ریلی گلدن گیت برای پروژه های مسکونی ، تجاری و اداری معمولا از طرف همکاران و نصاب ها به کارفرمایان پیشنهاد می گردد . این جک بدون نیاز به قفل برقی می باشد و در کورس باز و بسته شدن به صورت نرم و روان بر روی محور نصب شده حرکت می کند .
.webp)
جک ریلی گلدن گیت با خدمات ویژه به خریداران و همکاران به صورت فروش آنلاین و حضوری عرضه می گردد. این مدل جک در شرایط آب و هوایی گوناگون از 20- درجه تا 55+ درجه سانتی گراد امکان نصب و بهره برداری دارد و به واسطه مدار حرفه ای خود قابلیت اتصال به گیت کنترل تردد را دارد .
.webp)
دربهای ریلی از برندهای مختلف دارای اجزای مشخصی هستند که هر کدام دارای کارکرد متفاوتی هستند و کیفیت هر کدام از آنها در پرطرفدار بودن محصول در بین همکاران نقش مهمی دارد از دیگر ویژگی های جک درب کشویی گلدن گیت می توان به دو زمانه بودن آن اشاره داشت ، به این معنا که بسته شدن درب با شدت صورت نمی گیرد و کاهش سرعت باعث حرکت آرام تر آن می گردد ، همچنین در هنگام قطعی برق می توان از خلاص کن دستی برای باز کردن درب استفاده کرد.

محصولات گلدن گیت در این سال ها توانسته است به عنوان اولین انتخاب برای پروژه های مسکونی ، تجاری و اداری در میان نصاب ها دارای اولویت باشد چرا که لوازم جانبی هر کدام از محصولات در تمام نمایندگی های گلدن گیت در سرتاسر کشور در دسترس است .
مشخصات موتور جک ریلی گلدن گیت 2000 کیلو :
- امکان بازو بسته شدن آرام و بی صدای دربهای سنگین
- کم حجم بیصدا و بدون نیاز به قفل برقی
- مناسب براي ساختمان ها و مجتمعها
- به همراه 4 متر ریل دنده شانهای فولادی
- دارای چرخ دهده فولادی – برنزی
- نداشن محدوديت در باز و بسته شدن درب
- قابليت زمان دوم بدون نياز به تنظيم دستي
- بسته شدن درب بلافاصله بعد از عبور از چشمی
- دارای خلاص کن در زمان قطع برق
- مناسب برای هرلنگه درب تا وزن 2000 کیلوگرم و عرض تا 8 متر
- موتور ریلی و اتوماتیک گلدن گیت دارای سیم پیچ تمام مسی است و چرخ دنده آن از جنس آلیاژ فولاد و برنز است که طول عمر و کارایی بالای این جک را تضمین میکند.
ابعاد جک ریلی گلدن گیت 2000 کیلو
.webp)
جک کشویی اتوماتیک گلدن گیت
اگر تا به امروز برای اتوماتیک کردن درب خود اقدام نکرده اید نگران هزینه و یا تغییر در ساختار درب یا دیوارهای جانبی نباشید چرا که ما در گلدن گیت درب را پس از بررسی فنی و کارشناسی با کمترین هزینه برای شما اتومات می کنیم . متناسب با وزن ، عرض و ارتفاع درب ، مناسب ترین جک ریلی را به شما پیشنهاد می کنیم و اگر قصد دارید اطلاعات فنی دقیق تری از محصولات را در اختیار داشته باشید می توانید به سایت مستر اسمارتکو مراجعه فرمایید و با محصولات ما که طیف وسیعی از درب های اتوماتیک است آشنا شوید.
جک ریلی پارکینگ گلدن گیت 2000 با موتور قدرتمند و بی صدا قابلیت جابجایی درب تا وزن 2000 کیلوگرم را دارد و از دو عدد ریموت، دو عدد چشمی و یک عدد فلاشر بهره میبرد .
.webp)
نکات کاربردی تعمیر جک ریلی پارکینگ
نحوه عملکرد و قطعات به کار رفته در ساخت جک های ریلی تفاوت های فراوانی با دیگر مدل های جک های برقی دارد ، بطوریکه اگر بهترین مدل درب ریلی پارکینگ را هم ساخته باشید اما جک ریلی شما دارای کیفیت بالایی نباشد آن درب با مشکل مواجه خواهد شد .
.webp)
همچنین اگر درب ریلی ساخته شده شما روی چرخ ها و بلبرینگ ها به راحتی حرکت نکند و در گیر باشد ، حتی اگر بهترین و سنگین ترین موتور جک ریلی را هم انتخاب کنید مجدد به مشکل خواهید خورد و هر روز درگیر خدمات خواهید شد .
در همین راستا مشکلات و ایرادات به وجود آمده نسبت به نوع درب و نوع موتور جک ریلی متفاوت خواهد بود .
مشکلات رایج در جکهای ریلی پارکینگی چیست؟
از مهم ترین موارد خرابی در درب های اتوماتیک ریلی می توان به موارد زیر اشاره نمود :
1- بهم خوردن تنظیمات مدار فرمان جک جهت باز و بسته نمودن درب که در این حالت بایستی متخصص مربوطه مدار درب ریلی را کنترل نماید.
2- موتور جک درب های ریلی از کار افتاده و یا حتی از جای خود خارج می شود که ممکن است پیچ بدنه موتور شل شده باشد .
3- گاهی شاهد داغ شدن بیش از حد موتور جک ریلی و ایجاد صداهای ناهنجار خواهیم بود. چنانچه موتور داغ کرده باشد، احتمال دارد استاتور موتور دچار مشکل شده باشد ، صدای بلند موتور میتواند به این دلیل باشد که بلبرینگها یا به واسطه خشک شدن از فرم خود خارج شده باشند و یا اینکه موتور و استاتور با هم اصطکاک کرده باشند .
.webp)
4- موتور درجا کار میکند. وقتی موتور درب ریلی درجا کار میکند علت آن خارج شدن کلید خلاص کن و یا خم شدن محور کلید خلاص کن به دلیل گیر کردن کلید داخل قفل و یا هرز شدن سیستم انتقال قدرت گیربکس به پیستون میباشد .
5- گاهی بر اثر تحمل بیش از حد وزن درب و تردد بالا جک ریلی با مشکل مواجه میشود .
6- غلتک ها و چرخ های درب برقی کشویی معمولا پرکارترین قسمت دربهای اتوماتیک می باشند و در هنگام حرکت از سمتی به سمت دیگر، مقدار زیادی یا تمام وزن درب را حمل می کنند ، آن ها ممکن است با گذشت زمان زیر این فشار آسیب دیده یا فرسوده شوند. در این حالت درب به سختی تغییر موقعیت می دهد و چرخ ها نیز ممکن است بشکنند.
7- گاهی ریموت کنترل از کار افتاده و در برقراری ارتباط با مدار فرمان جک با مشکل مواجه است . بهم خوردن تنظیمات مدار فرمان موجب از کار افتادن ارتباط میان ریموت و برد جک برقی شده و فرمان های کاربر پردازش نمیشود.
8- گاهی سوختن فیوز یا قطع شدن یکی از سیم ها در بخش رله دستگاه مرکزی عامل اصلی در باز و بسته شدن جک ریلی پارکینگ می باشد.
9- به علت خرابی کلید خلاص کن دستی ، باز و بسته کردن درب به صورت دستی غیر ممکن می شود .
10- گاهی سنسورهای ایمنی دچار خطا شده و عملکرد کل سیستم تحت تاثیر قرار خواهد گرفت .
11- سیستم انتقال قدرت به گیربکس به علت خرابی باعث عدم جابجایی درب هنگام فرمان دادن به آن میشود .
12- گاهی مشکل از خراب شدن چشمی و یا فلاشر به وجود میآید .
13- گاهی سیستم برقی دچار مشکل شده و جک ریلی هنگام باز و بسته شدن با خطا مواجه می شود . در این حالت به علت قطع شدن جریان برق باید سیم کشی ها را بررسی نمود و در صورتی که سیم ها فرسوده یا دچار اتصالی باشند، باید آن ها را تعمیر و تعویض نمود .
14- گاهی جک ریلی در زمان بررسی و پردازش سیگنال های دریافتی و یا فرمان دادن به بخش های مختلف سیستم دچار مشکل میشود که این مورد به علت خرابی برد جک رخ می دهد .
15- شکستن ریل ها در هنگام حرکت و یا معیوب شدن ریل ها ، چرخدندهها و آهنربا های جک درب ریلی یکی دیگر از دلایل عدم کارکرد و یا بد کار کردن جک ریلی میشود.
16- تراز نبودن جک درب ریلی در زمان باز و بسته شدن میتواند یکی از علل عدم کارکرد مناسب جک ریلی باشد.
17- گاهی فرستنده جک ریلی به جهت خرابی و ایجاد مشکل در عملکرد آن نیاز به تعمیر دارد.
18- گاهی ممکن است بلبرینگها و محل قرار گیری بلبرینگها دچار ضربه شده باشند و کار منظم موتورریلی و حرکت یکنواخت درب کشویی را مختل کرده باشند .
.webp)
19- گاهی خشک بودن قطعات جک ریلی به دلیل عدم روغن کاری میتواند از علل عدم کارکرد مناسب جک ریلی شود .
20- جک ریلی برای باز یا بسته شدن ، درب های کشویی را در امتداد مسیری مشخص حرکت می دهد . این مسیر ها می توانند در اثر فرسایش حاصل از بارش باران ناهموار شوند و سطح یک دست و صافی را در اختیار درب نگذارند . اگر جک ریلی ، درب را نرم و آرام باز نمی کند معمولا به دلیل خشک یا فرسوده بودن قطعات است .
21- گاهی ممکن است زنجیر جک ریلی قطع شده باشد . بسیاری از جک های پارکینگی که عملکرد کشویی دارند ، دارای یک درایو زنجیره ای هستند که نیروی تولید شده از موتور را به اجزای روی قاب درب اتوماتیک می رساند . زنجیر با هر بار جابجایی درب اتوماتیک تحت فشار قرار می گیرد و اگر گیر کند ، درب را به طور کامل غیرفعال می کند . هم چنین اگر زنجیر زنگ زده یا پاره شده باشد ، برای جلوگیری از ایجاد تداخل در جک ریلی پارکینگ ، لازم است تا فوراً آن را تعویض نمایید.
درب اتوماتیک ریلی پارکینگی جدا از داشتن آسایش و سادگی در باز و بسته شدن، برای مکانهایی که فضای کمتری دارند از کارایی بالایی برخوردار هستند. از این رو عیبیابی و تعمیر درب اتوماتیک ریلی پارکینگ بسیار حائز اهمیت است چرا که ارتباط مستقیم با امنیت آن مکان دارد.
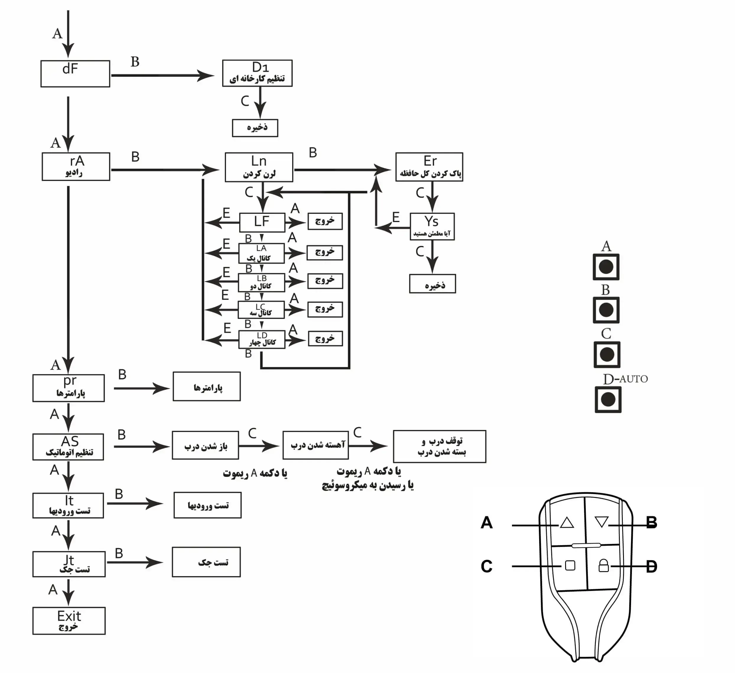
راهنمای تنظیمات جک ریلی گلدن گیت
برای تنظیمات مدار فرمان جک ریلی گلدن گیت از جداول زیر میتوانید کمک بگیرید :
1- مدار فرمان
.webp)
ترمینال ها
ترمینال 2 ، 1 : رله پارکینگ
ترمینال 4 ، 3 : فلاشر 220 ولت
ترمینال 6 ، 5 : ورودی برق 220 ولت
ترمینال 9 ، 8 ، 7 : موتور جک
ترمینال 11 ، 10 : خازن موتور
ترمینال 14 ، 13 ، 12 : میکروسوئیچ
ترمینال 16 ، 15 : تحریک سنسور چشمی
ترمینال 18 ، 17 : تغذیه 12 ولت سنسور چشمی
ترمینال 19 : تحریک دستی عادی
ترمینال 20 : تحریک دستی عابررو
ترمینال 22 ، 21 : قفل برقی 12 ولت
ترمینال 24 ، 23 : آنتن هوایی
دکمه ها
A : ورود به منوی اصلی
B : انتخاب منو / حرکت داخل منو به سمت پایین
C : اضافه کردن پارامتر / تحریک دستی
D : کم کردن پارامتر / تنظیم اتوماتیک
فیوزها
F1 : فیوز 4 آمپر
F2 : فیوز 1 آمپر
.webp)
توجه :در هنگام نصب دقت نمایید تا ورودی 15 ولت ترانس با ورودی 220 ولت برق شهری اشتباه نشود .
2- سیم بندی
.webp)
3- برنامه ریزی ریموت کنترل
کد دادن ریموت از منو :
با 2 بار زدن دکمه A وارد منو rA و با زدن دکمه B وارد منو Ln و با زدن دکمه C گزینه های زیر برای کد دادن ریموت قابل انتخاب هستند .
LF : کد دادن ریموت 4 کانال
LA : باز و بسته کردن درب دو لنگه و ریلی
LB : باز و بسته کردن درب تک لنگه در حالت 2 لنگه
LC : فرمان به رله پارکینگ
پاک کردن ریموت :
جهت پاک کردن همه کدهای ریموت ابتدا باید توسط دکمه A وارد منو rA شوید سپس با فشردن دکمه B منو Er را انتخاب کنید و با فشردن دکمه C عبارت YS ( به معنای آیا مطمئن هستید ؟ ) نمایان می گردد . با فشردن مجدد کلید C کلیه ریموت های موجود در سیستم پاک می گردد و در حین عملیات سونسگمنت به صورت چرخان در می آید .
توجه : ریموت کنترل های داخل جعبه برنامه ریزی شده اند ، اگر می خواهید یک ریموت را برای دو دستگاه مجزا استفاده کنید باید کد ریموت ها را پاک کنید و دکمه ها را تک تک کد دهید . مثلا دکمه اول را در برد اول با LA برنامه ریزی کنید و در برد دوم دکمه دوم را با LA برنامه ریزی کنید تا با دکمه اول برد اول و با دکمه دوم برد دوم را کنترل کنید .
4- بلوک دیاگرام تنظیمات جک ریلی 2000 کیلو گلدن گیت :
همچنین برای دسترسی به تنظیمات اتوماتیک می توانید دکمه D را چند ثانیه نگه دارید تا تنظیمات اتوماتیک فعال شود .
برنامه ریزی اتوماتیک ( تنظیم سریع ) :
برای راه اندازی اتوماتیک جک ابتدا درب را در حالت بسته قرار دهید سپس دکمه D روی مدار فرمان را نگه دارید تا درب باز شود سپس با زدن دکمه اول ریموت یا دکمه C درب آهسته می شود سپس با زدن دکمه اول ریموت یا دکمه C یا رسیدن به میکروسوئیچ ، درب متوقف می شود و در انتها درب به صورت اتوماتیک بسته می شود .
5- جدول تنظیمات جک 2000 گلدن گیت :
سه بار دکمه A را بزنید تا به گزینه Pr برسید سپس دکمه B را بزنید ، حال پارامترهای زیر قابل رؤیت است :
می توانید با زدن دکمه B به سمت پایین بروید
می توانید پارامتر دلخواه را با دکمه C انتخاب کنید و با دکمه های C و D پارامتر مورد نظر را تغییر دهید
برای خروج بدون ذخیره پارامترها دکمه A را بزنید و برای ذخیره پارامترها به گزینه SA بروید و دکمه C را بزنید
| پیش فرض | ماکزیمم | مینیمم | واحد | توضیحات | پارامتر |
| 20 | 99 | 1 | ثانیه | زمان باز شدن درب | o 1 |
| 5 | 20 | 1 | ثانیه | زمان آهسته باز شدن | a 1 |
| 20 | 99 | 1 | ثانیه | زمان بسته شدن درب | c 1 |
| 5 | 20 | 1 | ثانیه | زمان آهسته بسته شدن | b 1 |
| غیر فعال | | | ثانیه | استارت آهسته باز شدن درب | so |
| غیر فعال | | | ثانیه | استارت آهسته بسته شدن درب | sc |
| .n.o | | | | وضعیت میکروسوئیچ | us |
| 1 | 3 | 1 | | تنظیم دور آهسته | n 1 |
| 5 | 20 | 1 | | گشتاور دور تند | F 1 |
| 5 | 20 | 1 | | گشتاور دور کند | t 1 |
| غیر فعال | | | | چشمی فعال در زمان باز شدن | oF |
| فعال | | | | توقف قبل از آهسته شدن | Sp |
| 10 | | 0 | X6 ثانیه | بسته شدن خودکار | ac |
| غیر فعال | | | | بسته شدن خودکارپس از چشمی | cp |
| 5 ثانیه کمتر از زمان باز شدن | | 0 | | کسر زمان عابر | pt |
| غیر فعال | | | | قطع فرمان توقف در باز شدن | np |
| چشمک زن | | | | انتخاب فلاشر | FL |
| 0 | 20 | 0 | X6 ثانیه | زمان رله پارکینگ | Pa |
| | | | | ذخیره | Sa |
6- بستن اضطراری (در هنگام خطای چشمی)
برای بستن درب هنگامی که سنسور چشمی باز باشد یکی از دکمه های ریموت را 3 ثانیه نگه دارید تا پیغام PH از صفحه نمایش پاک شود ، سپس 30 ثانیه فرصت دارید تا با زدن مجدد دکمه ریموت درب را ببندید .
7- وضعیت اسباب کشی
برای فعال شدن این حالت بلافاصله بعد از باز شدن درب ها 5 ثانیه فرصت دارید که جلوی چشمی ها بایستید و دکمه ریموت را فشار دهید تا بسته شدن اتوماتیک غیر فعال شود .
جک ریلی پارکینگ چه قابلیتهایی دارد؟
مهم ترین و اصلی ترین تفاوت در درب برقی و معمولی، جک برقی نصب شده بر روی آنها می باشد که باعث میشود تا عملکرد ساده و روانی داشته باشند. موتور یا جک ریلی پارکینگ مورد استفاده در این درب ها با توجه به برند و مدل آن دارای قابلیت های مختلفی می باشد که از مهم ترین آنها عبارتند از:
- بسیاری از این درب ها دارای سیستم تشخیص مانع می باشند تا از برخورد درب با موانع قرار گرفته در مسیر حرکت لنگه متحرک در ریل جلوگیری کنند.
- اغلب موتورها و جک برقی مورد استفاده در درب پارکینگ دارای قابلیت ترمزگیری می باشند. منظور از ترمزگیری کاهش سرعت حرکت لنگه متحرک در انتهای مسیر می باشد تا از برخورد شدید با صدای بلند درب در زمان بسته شدن جلوگیری شود.
- جک ریلی برقی حیاط را می توان در تمام شهرها و شهرستان های ایران با ویژگی های آب و هوایی مختلف استفاده نمود. چون اغلب آنها در بازه دمایی +50 تا -25 درجه سانتی گراد عملکرد کاملا روان و بدون صدایی دارند. لذا این درب ها گزینه های کاربردی برای افرادی می باشد که به دنبال خرید درب برقی یا اتوماتیک مناطق سرد و در شهرستان های گرمسیر و سایر شهرهای جنوبی کشورمان نیز می توان از این جک پارکینگ استفاده نمود.

| چهار مترریل |
| یراق آلات نصب |
| دو عدد ریموت گلدن گیت |
| یک جفت چشمی یا فتوسل |
| یک عدد فلاشر سردرب |
| دفترچه راهنمای نصب موتور |
| کارت گارانتی و ضمانت نامه محصول |
| یک عدد موتور ریلی گلدن گیت با تحمل وزن 2000 کیلوگرم |
| مدل | TH 2000 |
| خازن | 8 میکروفاراد |
| توان موتور | 800 وات |
| نوع خلاص کن | آچار خلاص کن |
| ولتاژ مصرفی | 230 ولت |
| حداکثر وزن مجاز درب | 2000 کیلوگرم |
| مدت گارانتی | 24 ماه |
| درجه حفاظتی | IP 44 |
| وزن محصول | 15 کیلوگرم |
| حرکت آرام ، یکنواخت و بدون صدا |
| مناسب برای ساختمان ها و مجتمع ها |
| نداشن محدوديت در باز و بسته شدن درب |
| قابليت زمان دوم بدون نياز به تنظيم دستی |
| بسته شدن درب بلافاصله بعد از عبور از چشمی |
| دارای خلاص کن در زمان نیاز و قطع برق |
| دارای چرخ دنده فولادی - برنزی |
| مناسب برای هر درب تا وزن 2000 کیلوگرم |
| محصول کشور ایران |
دیدگاه خود را بنویسید